Você já se perguntou sobre a complexidade da ligação do dps e sua real importância para a segurança elétrica em 2026? Muitos deixam essa proteção de lado, pensando ser algo complicado ou desnecessário, e acabam expondo seus lares a riscos desnecessários de surtos de tensão. Fica tranquila, porque neste guia completo eu vou te mostrar de forma clara e direta como a correta ligação do DPS é seu maior aliado contra danos em equipamentos e até mesmo riscos maiores.

Em Destaque 2026

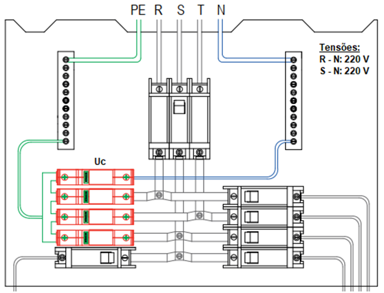
“A norma NBR 5410 estabelece que a instalação de um DPS (Dispositivo de Proteção contra Surtos) deve considerar a posição correta no quadro de distribuição (após o disjuntor geral e antes do DR), o esquema de conexão de fases e neutro, especificações técnicas como cabos de 4 mm² ou 16 mm² e distâncias de até 50 cm, além da tensão (Uc) adequada para cada rede (175V para 127V e 275V para 220V).”

Como a ligação do dps garante a segurança da sua instalação elétrica contra picos de tensão?

A ligação do DPS funciona como um escudo protetor para sua casa. Ele desvia para o terra qualquer sobretensão perigosa que possa surgir, como as causadas por raios ou falhas na rede elétrica.

Essa proteção é crucial para manter seus eletrodomésticos e eletrônicos a salvo. Surtos de energia podem danificar seriamente componentes sensíveis, gerando prejuízos significativos.

Vamos combinar, ninguém quer ter que trocar a geladeira ou a TV por causa de um pico de energia, né?

como instalar dispositivo de proteção contra surtos
Referência: www.rgengenhariasp.com.br

O que é o DPS e como ele funciona na prática?

O Dispositivo de Proteção contra Surtos (DPS) é um componente vital para a segurança da sua instalação elétrica. Pense nele como um guarda-costas para seus aparelhos eletrônicos e para a própria rede. Ele atua desviando para o aterramento os picos de tensão causados por descargas atmosféricas (raios) ou por manobras na rede elétrica. Sem ele, um simples surto pode queimar desde a TV até a geladeira, sem falar nos danos estruturais na fiação. Sua função é clara: proteger.

CaracterísticaEspecificação TécnicaIndicação
Tensão de Operação (Uc)175V (para 127V), 275V (para 220V)Define a tensão máxima contínua que o DPS suporta sem conduzir.
Corrente de Descarga (Imax/In)Varia conforme a classeCapacidade de desviar correntes de surto.
Tempo de RespostaNanosegundosVelocidade com que o DPS atua.
Cabos de ConexãoMínimo 4 mm² (quadro), Mínimo 16 mm² (entrada)Garantem a condução segura da corrente de surto para o terra.
Distância Máxima de CabosTotal < 50 cmMinimiza a impedância e maximiza a eficácia da proteção.
o que é um DPS elétrico e para que serve
Referência: www.mundodaeletrica.com.br

Vantagens, Desvantagens e o Impacto Real do DPS

  • Vantagem Principal: Proteção eficaz contra surtos, salvando seus equipamentos caros e evitando prejuízos maiores. A tranquilidade de saber que sua instalação está mais segura é inestimável.
  • Segurança Ampliada: Reduz drasticamente o risco de incêndios causados por sobrecargas e surtos.
  • Conformidade com Normas: A instalação de DPS é exigida pela norma ABNT NBR 5410, tornando sua instalação legal e segura.
  • Desvantagem: Custo Inicial: Há um investimento para adquirir e instalar o DPS.
  • Desvantagem: Instalação Correta é Crucial: Uma instalação malfeita compromete a eficácia e pode ser perigosa. A conexão com o aterramento deve ser impecável.
  • Desvantagem: Vida Útil Limitada: O DPS se desgasta a cada surto que desvia. É preciso monitorar e, eventualmente, substituí-lo.
normas técnicas para instalação de DPS NBR 5410
Referência: tokenengenharia.com.br

Posição do DPS no Quadro de Distribuição

A localização correta do DPS é fundamental. Ele deve ser instalado logo após o disjuntor geral e antes de qualquer Dispositivo Diferencial Residual (DR). Essa posição garante que ele proteja toda a instalação a partir dali. A norma ABNT NBR 5410 é clara sobre isso. A ideia é que ele intercepte o surto o mais cedo possível na entrada do quadro.

qual a posição correta do DPS no quadro de energia
Referência: www.coopernorte-rs.com.br

Esquema de Conexão (Fases e Neutro)

A conexão é direta e exige atenção. Para cada fase da sua rede, um DPS dedicado é necessário. A entrada desse DPS se liga ao cabo da fase, e a saída vai para o barramento de terra. No caso do neutro, a conexão também é recomendada. Se o sistema for TN-S, ele vai direto para o barramento de terra. Em sistemas TT, a ligação é mais específica, mas o objetivo é sempre o mesmo: desviar o excesso de tensão para o terra de forma segura.

diferença entre DPS Classe I, II e III
Referência: www.eletreasyengenharia.com.br

Especificações Técnicas Essenciais

Ficar atento às especificações é o que garante a proteção. A tensão de operação (Uc) varia conforme a rede: 175V para 127V e 275V para 220V. A capacidade de corrente de descarga (Imax e In) mostra o quanto ele aguenta. E os cabos de conexão? Para quadros de distribuição, o mínimo é 4 mm². Se for no padrão de entrada, precisa ser de 16 mm². E um detalhe que faz toda a diferença: o comprimento total dos cabos, da fase/neutro até o DPS e do DPS até o terra, não deve passar de 50 cm. Cabos curtos significam menor impedância e proteção mais eficiente.

tensão correta para DPS em rede 127V e 220V
Referência: clamper.com.br

Classes de DPS e suas Aplicações

Existem diferentes tipos de DPS, cada um para uma necessidade. A Classe I é geralmente usada no padrão de entrada de energia, onde os surtos são mais intensos. A Classe II é a mais comum e fica no quadro de distribuição interno, protegendo a rede do imóvel. Já a Classe III é instalada junto a equipamentos mais sensíveis, como computadores e home theaters, oferecendo uma proteção final e mais refinada contra os resíduos de surtos que possam ter passado pelas classes anteriores. Essa combinação em camadas é o ideal.

manutenção e dimensionamento de DPS
Referência: www.robertdicastecnologia.com.br

Preço Médio e Vale a Pena?

Vamos combinar, segurança não tem preço, mas é bom saber o investimento. Um DPS de boa qualidade, Classe II, que é o mais usado internamente, pode custar entre R$ 50 e R$ 150. Os de Classe I, mais robustos, podem ultrapassar os R$ 200. A instalação, se feita por um profissional qualificado, adiciona um custo, mas é um gasto que se paga com a tranquilidade e a economia a longo prazo. Se você tem equipamentos eletrônicos de valor ou mora em uma região com incidência de raios, o DPS não é um opcional, é essencial. O custo-benefício é altíssimo quando você compara com o preço de repor uma TV nova ou consertar danos elétricos sérios. Fica tranquila, o investimento se justifica pela proteção que ele oferece.

Mais Detalhes e Inspirações Relacionadas

proteção de equipamentos elétricos contra surtos
Referência: engehall.com.br

Quadro de distribuição em metal cinza claro, com disjuntores pretos e brancos organizados em fileiras verticais, e um DPS azul e branco posicionado à direita.

instalação de DPS em sistemas TN-S e TT
Referência: telredes.com.br

Detalhe de um DPS Classe II, com corpo retangular em plástico branco e terminais de conexão metálicos, instalado em um trilho DIN.

ligacao do dps
Referência: eletruiz.webnode.page

Conexão de fase em um DPS: cabo vermelho robusto, de aproximadamente 10 mm², conectado a um terminal de parafuso no dispositivo de proteção contra surtos.

como instalar dispositivo de proteção contra surtos
Referência: www.sabereletrica.com.br

Vista superior de um quadro elétrico aberto, mostrando a fiação organizada com cabos de cores variadas (azul, vermelho, preto) e terminais de conexão limpos.

o que é um DPS elétrico e para que serve
Referência: precisoeletricista.comunidades.net

Close-up de um DPS com indicadores visuais de status, mostrando um pequeno LED verde aceso, sinalizando funcionamento normal do dispositivo de proteção contra surtos.

normas técnicas para instalação de DPS NBR 5410
Referência: jfarcondicionado.com.br

Instalação de DPS em um sistema TN-S: DPS azul conectado a um barramento de terra de cobre polido, com cabos curtos e organizados.

qual a posição correta do DPS no quadro de energia
Referência: community.victronenergy.com

Padrão de entrada de energia com um DPS Classe I instalado próximo ao medidor, apresentando corpo robusto em plástico preto e conexões de alta capacidade.

diferença entre DPS Classe I, II e III
Referência: cetti.com.br

Comparativo visual de três DPS: um Classe I maior e mais robusto, um Classe II de tamanho médio e um Classe III compacto, dispostos lado a lado.

tensão correta para DPS em rede 127V e 220V
Referência: www.solenerg.com.br

Fiação de um DPS Classe III conectado a um cabo de energia fino, próximo a um conjunto de tomadas e equipamentos eletrônicos sensíveis.

manutenção e dimensionamento de DPS
Referência: www.casacombate.com

Interior de um quadro de distribuição com fiação organizada, onde um DPS está instalado entre o disjuntor geral e um DR, garantindo a proteção sequencial.

proteção de equipamentos elétricos contra surtos
Referência: es.scribd.com

Barramento de terra em cobre, com múltiplos cabos conectados, incluindo o cabo de saída do DPS, todos firmemente presos.

instalação de DPS em sistemas TN-S e TT
Referência: www.osetoreletrico.com.br

Vista de um DPS com sua especificação técnica visível: ‘Uc=275V’, indicando a tensão máxima de operação para redes 220V.

ligacao do dps
Referência: www.revendaeletrica.com.br

Instalação de DPS em sistema TT, mostrando a conexão específica do neutro ao terra, distinta do sistema TN-S.

como instalar dispositivo de proteção contra surtos
Referência: www.neosolar.com.br

Ferramenta de crimpagem utilizada para fixar conectores nos cabos de conexão do DPS, garantindo uma ligação segura e de baixa resistência.

o que é um DPS elétrico e para que serve
Referência: www.brasiltec.ind.br

Painel elétrico residencial com todos os componentes visíveis: disjuntores, DR e múltiplos DPS, todos com cabos de conexão curtos e bem isolados.

normas técnicas para instalação de DPS NBR 5410
Referência: canalsolar.com.br

O foco aqui é a usabilidade e o acabamento impecável.

qual a posição correta do DPS no quadro de energia
Referência: a3aengenharia.com.br

Confira a aplicação prática e o resultado visual deste estilo.

Dicas Extras

  • Verifique a Tensão Correta: Certifique-se de que a tensão (Uc) do DPS é adequada para sua rede elétrica, seja 127V ou 220V. Geralmente, 175V para 127V e 275V para 220V são as mais comuns.
  • Atenção aos Cabos: Utilize cabos de conexão com a bitola mínima correta. Para quadros de distribuição, use no mínimo 4 mm². Para o padrão de entrada, o mínimo é 16 mm².
  • Distância é Crucial: Mantenha o comprimento total dos cabos (fase/neutro ao DPS e DPS ao terra) o mais curto possível, idealmente abaixo de 50 cm. Isso garante a eficiência da proteção contra surtos.
  • Manutenção Preventiva: Embora os DPS sejam projetados para durar, é prudente realizar verificações periódicas, especialmente após eventos de tempestades com raios. A vida útil pode ser afetada.
  • Compatibilidade de Sistemas: Ao instalar um DPS, considere o tipo de sistema de aterramento da sua instalação (TN-S ou TT). A conexão do neutro ao terra tem especificidades em cada um.

Dúvidas Frequentes

O que é um DPS elétrico e para que serve?

O Dispositivo de Proteção contra Surtos (DPS) elétrico é um componente essencial para proteger seus equipamentos contra picos de tensão, como os causados por descargas atmosféricas (raios) ou falhas na rede elétrica. Ele desvia o excesso de energia para o aterramento, evitando danos aos aparelhos.

Qual a posição correta do DPS no quadro de energia?

A instalação correta do DPS é fundamental. Ele deve ser posicionado no quadro de distribuição, logo após o disjuntor geral e antes do Dispositivo DR. Essa ordem garante que ele proteja todo o circuito subsequente.

Qual a diferença entre DPS Classe I, II e III?

As classes indicam o nível de proteção e onde o DPS deve ser instalado. Classe I é geralmente no padrão de entrada, para surtos mais intensos. Classe II fica no quadro de distribuição interno, para proteção geral. Classe III é instalado próximo a equipamentos mais sensíveis, como computadores e TVs, para uma proteção final.

Conclusão

Agora que você entende a importância da ligação do DPS e como ele funciona para proteger sua instalação elétrica, fica claro que é um investimento indispensável. Garanta a segurança dos seus aparelhos e evite dores de cabeça. Para aprofundar ainda mais, o próximo passo lógico é entender a diferença entre DPS Classe I, II e III e como escolher o DPS ideal para sua instalação. A proteção completa da sua rede elétrica é um processo contínuo de aprendizado e aplicação.

Amou? Salve ou Envie para sua Amiga!

Laura Sampaio, nossa voz sobre Vida Feminina e Cotidiano: Laura aborda o dia a dia como ele é, com suas pequenas vitórias, desafios e aprendizados. De dicas de organização a reflexões sobre a vida moderna, ela é a amiga que entende a nossa rotina.

Aproveite para comentar este post aqui em baixo ↓↓: