Entender as banheiro acessivel normas e dicas é fundamental para quem busca praticidade e segurança em casa, especialmente em 2026. Muitas vezes, a gente pensa em adaptar um espaço e se depara com regras que parecem complicadas. Mas a verdade é que adequar seu banheiro torna o dia a dia muito mais confortável para todos. Neste post, eu vou te guiar pelas exigências essenciais e te dar toques práticos para que você crie um ambiente verdadeiramente acolhedor e funcional.
“A norma ABNT NBR 9050 é a referência principal no Brasil para projetar ou adaptar banheiros acessíveis, estabelecendo critérios de autonomia, conforto e segurança.”
Por que seguir as banheiro acessivel normas e dicas é crucial para o seu conforto diário?
Seguir as normas de banheiro acessível não é só cumprir regras, é garantir autonomia e dignidade para você e para quem você ama. Um espaço bem planejado faz toda a diferença na rotina.
Pensar na acessibilidade desde o início evita dores de cabeça e gastos extras com adaptações futuras. É um investimento em bem-estar e segurança para todos os moradores e visitantes.
Essas diretrizes são pensadas para oferecer a máxima mobilidade e segurança, prevenindo acidentes e facilitando as tarefas mais simples, como tomar um banho ou usar o vaso sanitário.
Banheiro Acessível: O Que É e Como Funciona na Prática
Um banheiro acessível é projetado para garantir autonomia e segurança a pessoas com mobilidade reduzida, idosos ou qualquer indivíduo que necessite de um espaço adaptado. O conceito central é a eliminação de barreiras físicas, permitindo o uso independente de todos os elementos. Na prática, isso se traduz em dimensões generosas para manobra, equipamentos específicos e acabamentos que priorizam a segurança. A funcionalidade é a palavra de ordem, onde cada detalhe é pensado para facilitar o dia a dia.
| Item | Especificação Técnica | Indicação |
|---|---|---|
| Área de Manobra | Diâmetro mínimo de 1,50 m | Giro de 360º de cadeira de rodas |
| Portas | Largura mínima de 80 cm, abertura externa recomendada | Facilidade de acesso e evacuação |
| Barras de Apoio | Diâmetro 30-45 mm, suportam 150 kg | Suporte em áreas de risco (vaso, box) |
| Bacia Sanitária | Altura do assento 46 cm, sem abertura frontal | Facilita transferência e higiene |
| Lavatório | Suspenso, sem coluna, altura 78-80 cm | Permite aproximação frontal com cadeira de rodas |
| Piso | Antiderrapante | Prevenção de quedas |
| Ralo | Posicionado fora da área de giro/transferência | Evita tropeços e facilita manobras |
| Botão de Emergência | Próximo ao chão (aprox. 40 cm) | Acesso rápido em caso de necessidade |
| Acessórios | Lixeiras sem pedal, espelhos inclinados/baixos | Uso sem esforço adicional |
| Box | Mínimo 90 cm x 95 cm, com banco articulado | Espaço para banho com segurança |
Vantagens e Desvantagens: O Impacto Real
- Vantagens: Promove independência e dignidade para usuários com mobilidade reduzida. Aumenta a segurança, reduzindo riscos de quedas. Valoriza o imóvel, atendendo a uma demanda crescente. Garante conformidade com leis e normas, evitando multas. Proporciona conforto e praticidade para todos os moradores, não apenas para quem tem necessidades específicas.
- Desvantagens: O custo inicial de adaptação pode ser mais elevado. Requer planejamento cuidadoso do espaço, o que pode ser um desafio em imóveis menores. Alguns materiais e equipamentos específicos podem ter manutenção mais especializada. A estética pode precisar de um planejamento extra para se integrar harmoniosamente ao design geral.

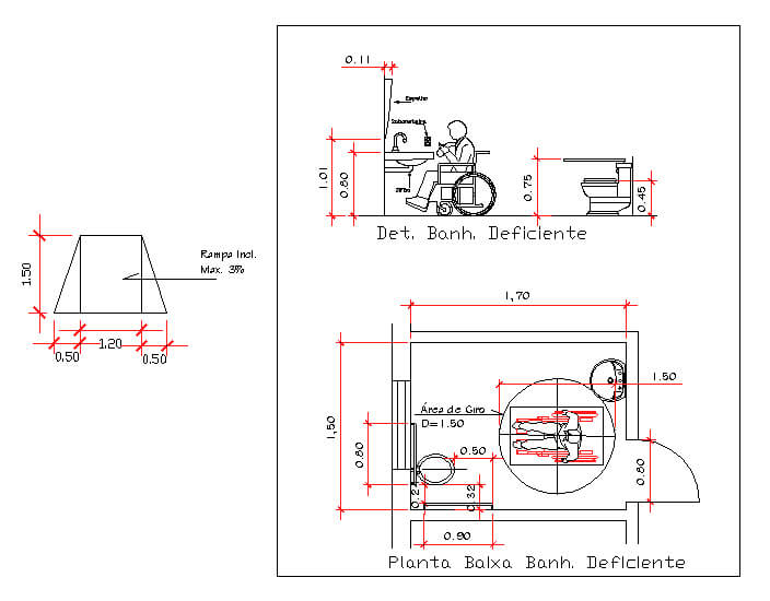
Entendendo a Norma ABNT NBR 9050 para Banheiros Acessíveis
A ABNT NBR 9050 é a referência técnica fundamental para o projeto e adaptação de espaços acessíveis no Brasil. Ela estabelece os critérios e parâmetros mínimos para garantir que edificações e mobiliários urbanos sejam utilizáveis por todas as pessoas, independentemente de suas condições físicas. No contexto de banheiros, a norma detalha dimensões, alturas, distâncias e tipos de equipamentos, assegurando que o ambiente seja funcional e seguro. Seguir a NBR 9050 não é apenas uma recomendação, mas um requisito legal para garantir a acessibilidade.

Dimensões Essenciais: Área de Manobra, Portas e Box
As dimensões são a espinha dorsal de um banheiro acessível. A área de manobra livre, com um diâmetro mínimo de 1,50 metro, é crucial para permitir que uma cadeira de rodas realize um giro completo de 360º sem obstáculos. As portas devem ter uma largura mínima de 80 cm, idealmente com abertura para fora para não invadir o espaço interno e facilitar a saída em emergências. Maçanetas do tipo alavanca são preferíveis por exigirem menos força e destreza. O box do chuveiro, com dimensões mínimas de 90 cm x 95 cm, garante espaço suficiente para movimentação e para a instalação de um banco articulado, facilitando o banho.

Componentes Chave: Barras de Apoio, Vaso Sanitário e Lavatório
As barras de apoio são elementos de segurança indispensáveis. Com diâmetro entre 30 e 45 mm e capacidade para suportar até 150 kg, elas devem ser instaladas estrategicamente junto ao vaso sanitário e dentro do box. A bacia sanitária acessível tem altura específica (46 cm do assento ao piso) e não possui abertura frontal, o que facilita a transferência da cadeira de rodas. O lavatório, por sua vez, deve ser suspenso, sem coluna, e ter sua borda superior entre 78 e 80 cm do piso, permitindo a aproximação frontal de cadeirantes e o alcance confortável.

Materiais e Acessórios: Piso, Ralo e Itens de Conforto
A escolha dos materiais é vital para a segurança e funcionalidade. O piso deve ser antiderrapante em toda a área, especialmente na zona do box, para prevenir escorregões. O ralo precisa ser posicionado fora das áreas de giro e transferência, evitando tropeços. Acessórios como lixeiras sem pedal, que podem ser operadas com o cotovelo ou quadril, e espelhos inclinados ou instalados a uma altura acessível (a partir de 90 cm) aprimoram a usabilidade. Torneiras do tipo alavanca ou com acionamento por sensor também são recomendações importantes para facilitar o uso.
Preço Médio e Vale a Pena?
O investimento em um banheiro acessível pode variar significativamente dependendo do escopo da reforma ou construção. Para adaptações pontuais, o custo pode iniciar em torno de R$ 3.000 a R$ 7.000, incluindo itens como barras de apoio, vaso sanitário adaptado e piso antiderrapante. Uma reforma completa, seguindo todas as diretrizes da NBR 9050, pode facilmente ultrapassar R$ 15.000, especialmente se envolver alterações estruturais. Vamos combinar, o valor investido se paga em qualidade de vida, segurança e autonomia para quem utiliza o espaço. Além disso, a conformidade com as normas valoriza o imóvel e o torna mais inclusivo e preparado para o futuro. Para o mercado de 2026, a tendência é que a demanda por soluções acessíveis se intensifique, tornando o investimento ainda mais estratégico.
Dicas Extras
- Iluminação Adequada: Invista em iluminação clara e uniforme, evitando sombras que podem dificultar a locomoção. Luzes embutidas no teto e arandelas nas paredes são ótimas opções.
- Cores e Contraste: Utilize cores que criem bom contraste entre pisos, paredes e equipamentos. Isso auxilia pessoas com baixa visão a identificar os diferentes elementos do banheiro.
- Espaço para Acompanhante: Se possível, preveja um espaço extra para que um acompanhante possa auxiliar a pessoa com deficiência, caso necessário.
- Acionamentos Acessíveis: Certifique-se de que todos os interruptores e botões (de descarga, de emergência) estejam em alturas acessíveis, geralmente entre 40 cm e 1,20 m do piso.
- Manutenção Fácil: Opte por materiais de fácil limpeza e manutenção, tanto para os revestimentos quanto para os equipamentos. Isso garante a higiene e a durabilidade do banheiro acessível.
Dúvidas Frequentes
Quais as medidas exatas da NBR 9050 para um banheiro acessível?
A norma brasileira NBR 9050 é a referência principal. Ela detalha as dimensões mínimas para área de manobra, portas, barras de apoio, altura de bacias sanitárias e lavatórios, exigindo um espaço livre de 1,50 m de diâmetro para giro de cadeira de rodas. É fundamental consultar a versão mais atualizada da norma para garantir conformidade.
Como adaptar um banheiro para cadeirante com pouco espaço?
Mesmo em espaços reduzidos, é possível adaptar um banheiro para cadeirante. Priorize a área de manobra, garantindo o giro de 360º. Opte por portas de correr, barras de apoio articuladas e um vaso sanitário com assento elevado. O planejamento cuidadoso das medidas nbr 9050 banheiro é crucial.
Onde comprar barras de apoio para banheiro acessível?
Você encontra barras de apoio em lojas especializadas em produtos para acessibilidade, home centers e lojas de materiais de construção. É importante verificar se as barras atendem às normas de segurança, como o diâmetro e a capacidade de suporte de peso, e considerar as opções de barras de apoio para banheiros adaptados que se adequam ao seu espaço.
Conclusão
Adaptar um banheiro para ser acessível é um ato de inclusão e respeito. Ao seguir as normas e aplicar as dicas práticas, você garante um ambiente seguro e funcional para todos. Agora que você já sabe sobre isso, o próximo passo lógico é entender como funciona o planejamento do box de banheiro acessível e a importância do piso antiderrapante em banheiros acessíveis para completar a segurança.

