Aplicando a NBR 9050 em banheiros públicos existentes é um desafio que muitos gestores e proprietários enfrentam. A acessibilidade não é um luxo, mas um direito fundamental. Muitas vezes, espaços que deveriam ser inclusivos acabam excluindo justamente quem mais precisa de atenção. Neste post, vamos desmistificar o processo de adaptação, mostrando como é possível transformar banheiros públicos em ambientes verdadeiramente acessíveis, atendendo às exigências atuais e futuras.
Como a aplicação da NBR 9050 em banheiros públicos existentes garante a inclusão e a segurança para todos?
A NBR 9050 estabelece as diretrizes essenciais para que todos possam usar os espaços com autonomia e dignidade. Ao aplicarmos a norma em banheiros públicos já construídos, garantimos que pessoas com deficiência ou mobilidade reduzida tenham acesso seguro e confortável. Isso vai desde a área de manobra para cadeiras de rodas até os detalhes de altura e tipo de torneiras. Assim, evitamos barreiras e promovemos a igualdade.
A norma considera as particularidades de cada espaço, permitindo flexibilidade em reformas. O objetivo é sempre oferecer o máximo de funcionalidade possível, mesmo que o espaço original não fosse planejado para acessibilidade. Vamos detalhar os pontos cruciais para que essa adaptação seja um sucesso.
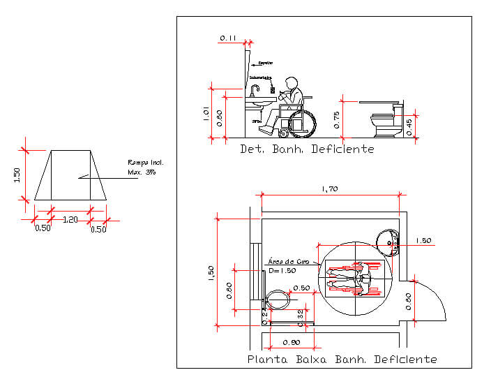
“A NBR 9050:2020 permite, em reformas de banheiros públicos existentes, dimensões mínimas de 1,50 m x 1,70 m para a área interna e 0,80 m x 1,20 m para a área de transferência, visando autonomia, conforto e segurança.”
Adaptar banheiros públicos para garantir acessibilidade total pode parecer um desafio, mas é essencial para inclusão. Eu sei que você busca um guia prático, direto ao ponto, para entender como a ABNT NBR 9050:2020 se aplica em espaços já existentes. Pois é, este material foi feito para você, com tudo o que precisa saber para fazer essa adequação de forma eficiente e sem dor de cabeça.
Vamos combinar: a acessibilidade não é um luxo, é um direito. E adequar banheiros públicos é um passo fundamental para que todos possam usufruir dos espaços com dignidade e autonomia. Fica tranquilo, porque aqui eu te entrego o mapa da mina, direto e reto, para você aplicar as normas sem complicação.
| Tempo Estimado | 1 a 3 dias (dependendo da complexidade) |
|---|---|
| Nível de Dificuldade | Médio |
| Custo/Esforço | Variável (depende da reforma necessária) |

A Preparação (O Que Você Vai Precisar)
- Projeto de acessibilidade ou consultoria especializada (recomendado)
- Ferramentas básicas de construção (trena, nível, furadeira, parafusos, buchas)
- Materiais de acabamento (pisos, revestimentos, louças, metais)
- Barras de apoio e acessórios de segurança
- Sinalização de acessibilidade (SIA)
- Tempo e disposição para planejar e executar

Passo a Passo Detalhado
- Avaliação do Espaço Existente: Antes de tudo, analise o banheiro atual. Verifique as dimensões, a disposição dos equipamentos e o fluxo de circulação. O objetivo é identificar os pontos que precisam de adequação para atender aos requisitos da NBR 9050. Lembre-se que, em reformas, as dimensões mínimas para reforma podem ser de 1,50 m x 1,70 m, mas o ideal é buscar o máximo possível de espaço.
- Definição da Área de Manobra e Transferência: Garanta uma área de manobra livre de, no mínimo, 1,50 m x 1,50 m para permitir o giro de 360° de uma cadeira de rodas. Além disso, certifique-se de que há uma área de transferência de 0,80 m x 1,20 m ao lado da bacia sanitária.
- Ajustes na Porta e Acesso: A porta de acesso deve ter um vão livre mínimo de 0,80 m e preferencialmente ser de correr ou abrir para fora. Isso garante que a cadeira de rodas consiga passar sem obstáculos e que o acesso seja facilitado.
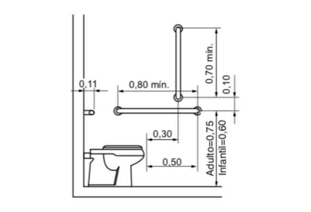
- Instalação da Bacia Sanitária Acessível: A altura da bacia sanitária correta é crucial. Ela deve ficar entre 43 cm e 45 cm do piso (ou até 46 cm com o assento), sem base de alvenaria. Verifique também o espaço livre para as pernas.
- Adaptação do Lavatório: Instale um lavatório suspenso com altura de 0,78 m a 0,80 m, e com recuo inferior livre para acomodar as pernas do cadeirante. As torneiras devem ser de fácil acionamento, como alavanca ou sensor.
- Fixação das Barras de Apoio: As barras de apoio são fundamentais. Barras horizontais devem estar a cerca de 0,75 m de altura do piso, com barras laterais e posteriores ao redor da bacia sanitária, conforme as especificações da norma.
- Sinalização Clara: Não se esqueça da sinalização de acessibilidade. O Símbolo Internacional de Acesso (SIA) deve estar visível na porta e em pontos estratégicos que indiquem a rota de chegada ao banheiro acessível.

Checklist de Sucesso
- A área de manobra permite o giro completo da cadeira de rodas?
- A porta tem vão livre adequado e abre para fora ou é de correr?
- A altura da bacia e do lavatório está correta e com espaço para as pernas?
- As barras de apoio estão firmemente instaladas e nas alturas corretas?
- A sinalização de acessibilidade é visível e clara?

Resolução de Problemas (Troubleshooting)
Problema: Falta de espaço para a área de manobra. Solução: Avalie a possibilidade de realocar equipamentos ou até mesmo paredes (se a estrutura permitir) para maximizar o espaço. Pequenos ajustes podem fazer grande diferença.

Contexto e Aprofundamento

Dimensões e Áreas de Manobra
A NBR 9050 é clara sobre as dimensões. Para banheiros existentes em reforma, o mínimo aceitável para o sanitário acessível é de 1,50 m x 1,70 m. Contudo, o ideal é sempre buscar os 1,50 m x 1,50 m para a área de manobra, garantindo o giro completo da cadeira de rodas, o que confere mais autonomia ao usuário.

Portas e Acessos
O vão livre da porta é um ponto crítico. Precisa ser de, no mínimo, 0,80 m. Portas de abrir para fora ou de correr são as mais indicadas, pois não invadem o espaço interno do banheiro nem obstruem a passagem de cadeirantes. A escolha certa aqui facilita tudo.

Louças e Metais
A altura da bacia sanitária, entre 43 cm e 45 cm do piso (com assento), é fundamental para a transferência segura. O lavatório suspenso deve ter a altura de 0,78 m a 0,80 m e, importantíssimo, um recuo inferior livre para as pernas. Torneiras com acionamento por alavanca, sensor ou tipo pressão são as mais indicadas pela facilidade de uso.

Barras de Apoio e Acessórios
As barras de apoio não são opcionais. Devem ser instaladas a 0,75 m de altura em relação ao piso, com barras laterais e posteriores ao lado da bacia. A instalação deve ser robusta para garantir a segurança. Acessórios como saboneteiras e dispensadores de papel devem estar ao alcance sem exigir esforço.

Localização e Quantidade
A norma também orienta sobre a localização e a quantidade de banheiros acessíveis. Eles devem estar em rotas acessíveis e bem sinalizados. Em edificações com múltiplos banheiros, um percentual deve ser adaptado. A correta sinalização, com o Símbolo Internacional de Acesso (SIA), é o que guia o usuário até o local correto.
Dicas Extras
- Priorize a Iluminação Adequada: Uma boa iluminação no banheiro é essencial. Certifique-se de que não haja sombras que dificultem a visualização, especialmente perto da bacia sanitária e do lavatório. Use luzes embutidas ou arandelas que não obstruam a circulação.
- Escolha Acabamentos Antiderrapantes: O piso do banheiro acessível deve ser antiderrapante para prevenir quedas. Materiais como porcelanato com textura ou pastilhas podem oferecer a segurança necessária sem comprometer a estética.
- Pense na Ventilação: Um bom sistema de ventilação, seja natural (janelas) ou artificial (exaustores), é crucial para o conforto e para evitar mofo e umidade excessiva, mantendo o ambiente agradável.
- Facilite a Limpeza: Opte por materiais fáceis de limpar e com poucas reentrâncias onde a sujeira possa acumular. Isso é importante tanto para a manutenção do espaço quanto para a higiene pessoal.
- Considere o Conforto Térmico: Em locais com variações de temperatura, pense em aquecimento ou resfriamento, se aplicável, para tornar o uso do banheiro mais confortável em todas as estações.
Dúvidas Frequentes
Em reformas, quais as medidas mínimas para um banheiro acessível?
Para adaptações em banheiros existentes, a NBR 9050 permite algumas flexibilizações. As dimensões mínimas aceitáveis para um sanitário acessível podem ser de 1,50 m x 1,70 m. O importante é garantir a área de transferência e o espaço para giro, mesmo que em formatos adaptados. A área de manobra é fundamental, buscando o ideal de 1,50 m x 1,50 m, mas adaptando conforme a viabilidade.
Como instalar as barras de apoio corretamente?
A instalação das barras de apoio segue requisitos específicos da NBR 9050. Barras horizontais devem estar a uma altura de 0,75 m do piso. É essencial ter barras laterais e posteriores ao lado da bacia sanitária, garantindo apoio em diferentes posições. A instalação barras de apoio banheiro NBR 9050 deve ser robusta e bem fixada.
A porta do banheiro acessível precisa abrir para fora?
Sim, o vão livre da porta deve ter no mínimo 0,80 m de largura, e ela deve abrir para fora ou ser do tipo correr. Isso é para garantir que a porta não obstrua o espaço interno, especialmente se uma cadeira de rodas precisar manobrar ou se houver uma emergência. A segurança e a funcionalidade são prioridade.
Conclusão
Adaptar banheiros públicos, especialmente em edificações existentes, é um passo crucial para garantir a inclusão e o respeito a todos. A NBR 9050 oferece um guia detalhado, mas a aplicação prática exige atenção aos detalhes e um olhar atento às necessidades reais dos usuários. Lembre-se que ir além da norma, pensando em um Planejamento de Espaço para otimizar áreas de manobra e considerar o conforto geral, faz toda a diferença. Acessibilidade é sobre dignidade e autonomia.

